PG6X
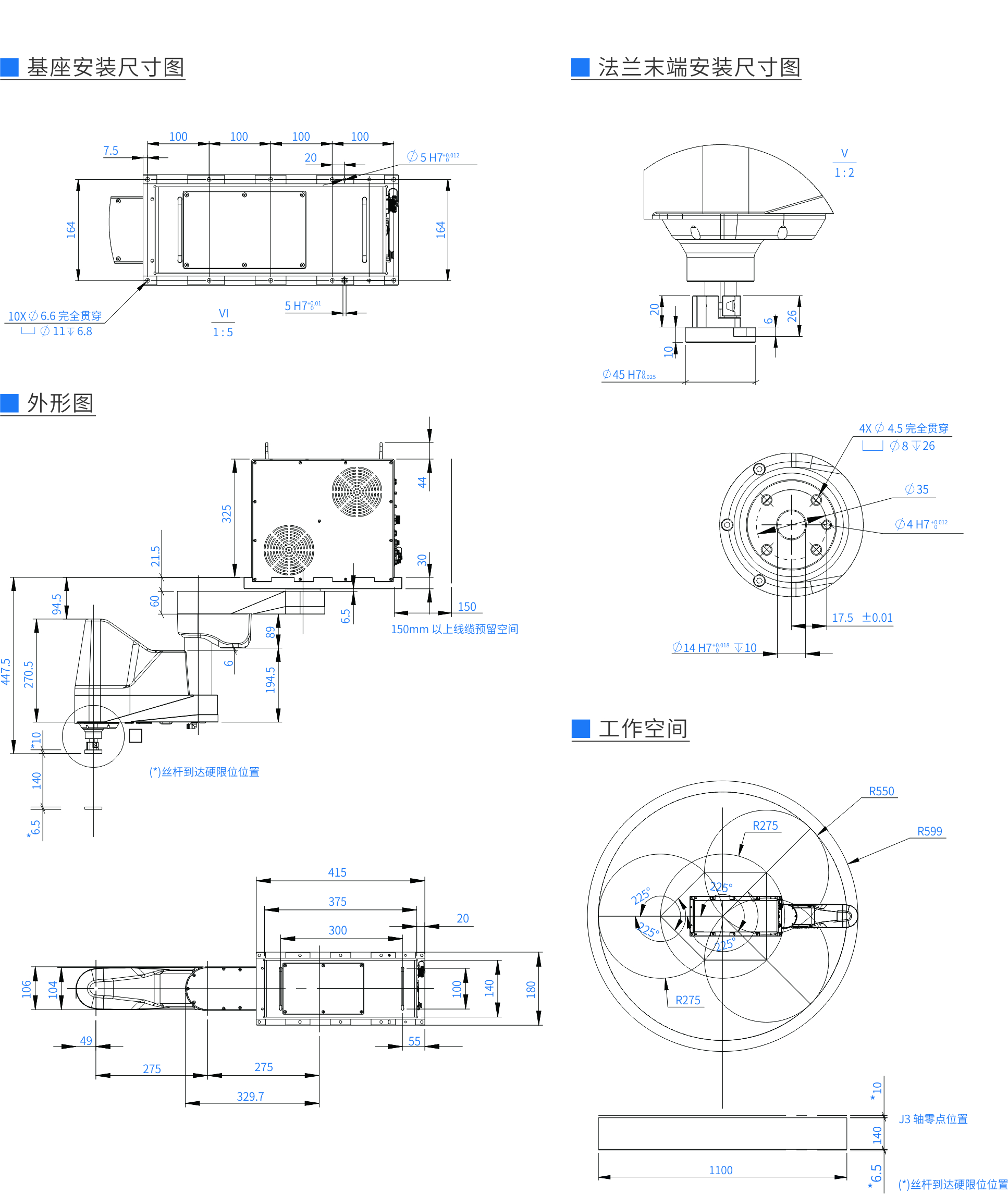
独特的全回转手臂机构,360° 全覆盖无死角,完美的实心圆柱形空间,同类产品工作空间利用率最高
精度高,节拍快,硬件性能业内领先
一体机设计,无单独控制柜,提高电磁兼容性 (EMC),设备小型化
配备视觉、传送带跟踪管理、飞拍等软件,使生产效率最大化
节省空间 360°全覆盖
PG6X-0550-1544-1400 



规格型号
PG6X-0550-1544-1400
轴数
4
最大负载
6 kg
臂长
J1+J2
550 mm
J1
275 mm
J2
275 mm
最大运动范围
J1
±225°
J2
±225°
J3
140 mm
J4
±720°
标准节拍周期*1
0.43s
最大运动速度
J1+J2
7400 mm/s
J3
1100 mm/s
J4
2600°/s
重复定位精度
J1+J2
±0.015 mm
J3
±0.01 mm
J4
±0.01°
允许转动惯量
额定
J4:0.005 kg·㎡
最大
J4:0.05 kg·㎡
安装方式
倒装
整机重量
33 kg
I/O 接口*2
基座面板:23 路输入,18 路输出;手臂末端:提供 16 pin 可自由分配的线路
通讯接口
Ethernet,RS-232,Modbus TCP
气管接口
Φ4 mm x1,Φ6 mm x 2
额定电压
230 V a.c. 50/60 Hz
额定功率
1 kW
工作环境
环境温度:0-40℃,相对湿度:10%-80%(无冷凝)
*1:负载 2 kg 下,往返拱形运动(水平 305mm 、垂直 25mm )的循环时间(最大速度最优行程坐标)。
*2:通过 Modbus TCP 协议可进行 I/O 扩展。

PG6X-0550-1544-1400发布时间:2023-03-10












